換熱機組由板式換熱器(容積式換熱器或列管式換熱器)、循環水泵、穩壓泵、冷凝水箱、溫控裝置、定壓罐(變頻控制除外)、過濾器、閥門、儀表及控制柜組合而成,具有結構緊湊、占地少、效率高、噪音低等優點,極大簡化和加快供熱工程的設計和施工進度。此產品為非標定制產品,可根據項目工況設計選型,按需進行配置定制。
換熱機組由板式換熱器(容積式換熱器或列管式換熱器)、循環水泵、穩壓泵、冷凝水箱、溫控裝置、定壓罐(變頻控制除外)、過濾器、閥門、儀表及控制柜組合而成,具有結構緊湊、占地少、效率高、噪音低等優點,極大簡化和加快供熱工程的設計和施工進度。此產品為非標定制產品,可根據項目工況設計選型,按需進行配置定制。
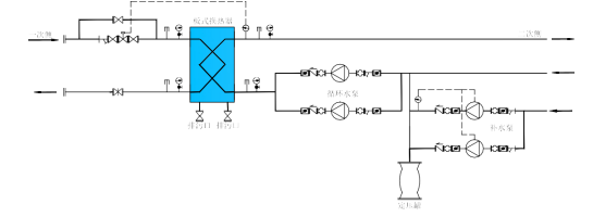
換熱機組相當于一個完整的“換熱站” 及“定壓站”,集中了熱量交換和控制管網的壓力。其原理為一次側熱媒經過溫控系統進入板式交換器、容積式換熱器或列管式換熱器放出熱量后排入冷凝水箱;二次側低溫水經過循環泵進入板式換熱器后送出。溫度傳感器設在二次側出水口,將溫度信號反饋至溫控系統,調節熱媒流量從而控制二次側的出水溫度。穩壓泵接收壓力傳感器壓力信號,自動向管網供水,同時水也進入定壓罐, 當管網的水壓達到一定壓力后,停止供水。由定壓罐定壓,保持管網壓力恒定。原理圖如下:

智能換熱機組
產品推薦